Windows: vinyl and uPVC windows
Windows
Windows
Windows
Plastic windows
Aluminium windows
Wooden windows
Wooden-aluminium windows
Roof windows
Services
Services
Energy audit
Repair of windows
Installation of plastic windows
Insulation of facades
Arrangement of slopes
Installation of facades and conservatories
Lamination, coating, bending of profiles
Transportation services
Tinting windows, strengthening glass
Equipment repair and maintenance
Consulting, seminars
Waste PVC, plastics, glass, recycling
Installation of locks and doors
Accessories
Accessories
Window Bars
Sills
Mosquito nets
Ebbs
Vertical curtain blinds
Horizontal shutters
Cloth blinds
Awnings
Roller shutters, shutters
Window ventilation
Stained-glass windows
Window slopes
Miscellaneous
Doors
Doors
Entrance doors
Interior doors
Fire doors
Automatic doors
Metal doors
Wooden doors
Plastic doors
Glass doors
Garage doors
Industrial gates
Sectional doors
Swing gates
High-speed doors
Sliding gates
Parking systems
Turnstiles
Barriers
Glazing
Glazing
Double-glazed windows
Facades
Facades
Transparent facades
Conservatories
Aluminium facades
Curtain walls
Systems (brands)
Systems (brands)
Profiles
Fittings
Equipment
Glass and filling
Spacer profiles
Reinforcing profiles
Sealants
Mounting materials
Software
Lamination for windows
Additions
Suppliers
Suppliers
Profiles
Fittings
Fittings for partitions and shower cubicles
Equipment
Glass and filling
Spacer profiles
Sandwich panels
Reinforcing profiles
Sealers
Mounting materials
Software
Additions
Partitions
Partitions
Office partitions
Mobile partitions
Aluminium partitions
Plastic walls
Wooden partitions
Other partitions
Industry media
Industry media
Online magazines
Exhibitions
Printed magazines
Associations
Education
Programs
Banks
Calculators
Calculators
Calculators
Window price calculation
Calculation of windows durability
Calculation of energy saving
Advertisements
Advertisements
Advertisements
Windows
Balconies
Services
Finished windows
Jobs
Blinds
Sills
Insect screens
Garage doors
Doors
Buy a window, a door
Grates
Work - CVs
Miscellaneous
Specialists
Specialists
Sell equipment
Buy equipment
Materials for installation
Components - offers
Components - wanted
Business contacts
Sale of business
Offices
Regions
Regions
Ads in Ukraine
Kyiv
Dnipro
Odesa
Kharkiv
Lviv
Zaporizhzhia
Kryvyi Rih
Ternopil
Cherkasy
Brovary
Sumy
Mykolaiv
Rivne
Vinnytsia
Zhytomyr
Boryspil
Ivano-Frankivsk
Kremenchuk
Poltava
Lutsk
Khmelnytskyi
Products
Products and services related to windows and doors
Products and services related to windows and doors
Windows
Balconies
Sills
Exterior Doors
Mosquito Nets
Internal Doors
Jambs
Gates
Sun Protection
Window Repair
Curtains
Blinds
Facades
Exterior Sills
Partitions
Grates
Vertical Blinds
Terrace Doors
Conservatories
Skylights
Windbreaks
Production of windows
Production of windows
Fittings
Fasteners and Installation Materials
Miscellaneous
Glass and Accessories
Profiles
Equipment
Sealers
Components for the Equipment
Software
Consulting
Show more
Services
Services
Special offers
Articles
News
Exhibitions
Objects
Videos
Profile systems
Maps
OKNA's forum
Special offers
Articles
News
Exhibitions
Objects
Videos
Profile systems
Maps
OKNA's forum
ua
ru
en
Login
registration
ua
ru
en
SEARCHING
OKNA.ua
Library OKNA.ua
Regulations
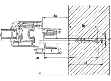
Характеристики дверных и оконных петель по системе CE
This article is available in Russian — Характеристики дверных и оконных петель по системе CE
Go to page
Характеристики дверных и оконных петель по системе CE
Енергопакет® Glas Trösch EN2plus 24мм
Енергопакет® Glas Trösch Comfort 24мм
Енергопакет® Glas Trösch EN2plus 32мм
Other related articles
Технічне регулювання в будівельній галузі: українські та європейські новації
Regulations
Новые нормы и правила стандартизации окон, фасадов и стекла в Украине
Regulations
Розробка проекту національного стандарту України щодо вікон та дверей
Regulations
New and better
Рейтинг
OKNA.ua